自然と快適空調との接点を求めて 有限会社神奈川空調工業空調機、空調設備、冷媒管洗浄、エコキュート、オール電化のエキスパート |
|||||||||||||||||||||||||||||||||||||||||||||||||||||||||||||||||||
冷媒管洗浄機「レフ・オール・ワッシャー」既設冷媒管の再利用洗浄機全ての冷媒管に対応
|
|||||||||||||||||||||||||||||||||||||||||||||||||||||||||||||||||||
![]() |
| 寸法(およそ) | 幅:900mm 奥行:700mm 高さ:1200mm 重量:70Kg 補助管PEホース1/2 10m×10m 2set ホースバンド付き |
|---|---|
| 機内配管 | SUS304 バルブ 真鍮 フルボア ボールバルブ チッソガス配管1/4 Cu |
| ポンプ | 1Ø100V 0.4KW 口径:20mm 揚程:60m 6L 10m 30L 水換算 |
| 液タンク SUS304 |
供給タンク 25L 返液タンク 18Lチッソゲージレギュレーター 台車 |
| 適用 | 液剤:塩化メチレン パークロルエチレン トリクロルエチレン R225 R-141b メチルアルコール イソプロピルアルコール 水 酸 アルカリ液20℃で液体の溶剤 |
| 真空ポンプ:ダイヤフラム式0.4KW オイル式0.4KW100V 電気釜20L ベーキングヒーター300W×2 タンク20L ウォーターバス0.5kw×5(200V) |
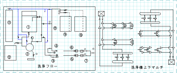
本書は冷媒管洗浄機(ref-o-washer:レフ・オール・ワッシャー)を用いて、既設冷媒管の再利用をする洗浄工程及び洗浄機の説明書です。
ステージ?、?、?の3段階に分けられます。ステージ?と?は、同じ架台に搭載されています。ステージ?では、配管及びタンク内に残った溶剤メチクロを極少まで希釈減少させる回収装置です。
まず供給タンク?に溶剤メチクロを入れます、このとき配管の長さに応じて配管容積を本体付属の別表より計算して2倍量投入します。チッソガスボンベに連接したゴムホースをセットします。チッソガスは大気圧程度で充分です。 (空き缶を忘れないように)
予め既設機器は撤去して内機用配管にU字配管をセットします、バルブを2個つけます。 一つはライン用、もう一つはエア抜き用、液抜き用です。
室外機側には12.4mmのPEパイプ又は銅管をセットします。搭載中のチッソガスにより配管の漏れ検査を行います。圧力は0.5Mp程度で行います。PEパイプは新品なら3.5Mpまで耐圧はあります。 これで準備は終わりです。
洗浄機よりチッソガスをゆっくり0.5MPaだけ掛けて圧力テストを行います。針が止まれば合格。次に接合部に石けん液をかけて泡リークテストを行います。バブルがなければ合格です。次に進む。
ポンプを最初2〜3秒運転します、様子を見て2〜3分間運転して吐出バルブを閉じます と同時にループのエア抜きバルブより空気を抜きます、一番遠いバルブで行います。空気抜きが出来たところでポンプを連続運転します。このとき供給タンクは大気圧のチッソガスを掛けておき、タンクの真空破壊を防ぎます。ポンプの運転により返り管にオイル混じりの溶剤が戻ってきます、所定量の溶剤が戻ったところで返却タンクの溶剤を別の空き缶に回収します。溶剤の色合いで2回目を行うか判断します。1回の洗浄で20リットル使用すると、10φとすれば2000回の洗浄をした事になります。 大概は1回で充分です。バルブ操作は馴れてくるといろいろの操作が出来ます。
タンク?は90μのSUS繊維を配して、エリミネーターにしてあります。返液タンクと分離タンクは活性炭を入れたパイプで連結してあります。メチクロを吸着させるためです。ここを過ぎると液状のメチクロは有りません、次にメチクロ蒸気は分離タンクに入りガス状で再び吸着されます。ステージ?を通過するとステージ?のシロッコファンを運転して極くわずかのメチクロ蒸気を回収します。まず空気とともに吸収タンクに送られたメチクロ蒸気は再びSUS繊維に吸着されます。再蒸発したメチクロはドライタイプダイヤフラム式真空ポンプ式コンデンサーに吸引され、液化回収されます。大気への放出はありません。最後に活性炭粒の入ったフイルターを通過すると、放出するメチクロ蒸気は、人間には害のない濃度になります。目標は50ppm以下です、通常5〜15ppm程度ですが、マスクを装着して作業します。
オイルと大変優れた相溶性があり、麻酔性があります。人間では発ガンの発症例は報告ありませんが、ラットに大量に吸引させると発がん性ありとされています。そのために充分注意する必要があります。検索ワード(メチクロ発がん性)で沢山の報告があります。 放出規制値は、大気50mg/m3 排水では0.2mg/Lと規制されています。 再生は自分でも蒸留することもできます。新機は蒸留器を付備いたしました。100%回収可能です。新機では全ての溶剤メチクロを真空ポンプ〜冷却コンデンサーで回収できる構造です。 ドライ式ダイヤフラム真空ポンプで吸引液化回収されます。特別産業廃棄物ですので、これも溜めておいて各都道府県公認の専門業者に委託します。または自分で蒸留再生します。
| ステージ? |
1.溶剤メチクロ仕込 2.窒素ガス大気圧パージ 3.タンク内に溶剤回収 4.ポンプを止めて溶剤を抜く。 |
|---|---|
| ステージ? | 洗浄終了後、チッソガスにより配管内?をパージする。 ???活性炭にメチクロ蒸気を吸着させる。活性炭は吸着熱で発熱するが 発火性はない。 |
| ステージ? | 真空ポンプ、コンデンサーで回収液化させる。 |

冷媒管再利用の洗浄液の流れ
(薬品、配管等の洗浄に利用するときはご相談ください)
冷媒管洗浄機 |
![]() 1、洗浄配管セット |
|
![]() 2、洗浄機セット |
![]() 3、室内機側ループ管 |
![]() 4、溶剤投入 |
![]() 5、洗浄開始 |
![]() 6、チッソブロー |
![]() 7、洗浄後、切断銅管 あとで判ったことであるが、オイルの分解物の水素により酸化銅が還元されて内部がピカピカ光っている。洗浄されてきれいになったのではない。 ![]() |
![]() |
![]() |

JA横浜みなみ総合センター全入れ替え工事(配管洗浄例)

| 化学物質 | 大気中寿命(年) | オゾン層破壊係数(ODP) | 地球温暖化係数(GWP)(20年) |
|---|---|---|---|
| 塩化メチレン* | 0.41 |
0.007 |
9 |
| HCFC-22 R-22 |
13.3 |
0.055 |
4300 |
| HCFC-141b R-141b |
9.4 |
0.11 |
1800 |
| HCFC-225cs R-225Ca |
2.5 |
0.025 |
550 |
| HCFC-225cb R-225Cb |
6.6 |
0.033 |
1700 |
| R-404A | ━ |
0.0 |
4800 |
| R-407C | ━ |
0.0 |
3400 |
| R-410A | ━ |
0.0 |
3400 |
いいえ。管内面に油が付着してしまいます。
高性能洗浄が必要です。
水分、炭化物、酸化皮膜、金属切粉が残ります
窪みも溶接部もミクロのガス、溶剤が働きます
全てのゴミ・酸化皮膜、水分もとります
完全ではありません。炭素水分が残ります
新冷媒用の油と旧冷媒用の油は不相溶です 。洗浄できません
20%が限度です。共洗い方は問題ありです
いいえ、よくありません。オイルが全然違います
お客様が証明すればなります。また、賠償請求もできます。
PL法では意味を成しません。道義的責任です
簡単です。沸点は40℃です。真空乾燥が簡単です
必要です。講習会後修了書を発行します
不具合は後から出てきます(ヨーグルト状のオイル、エーテル、エステルオイルが加速度的に加水分解して機器の故障につながります)
完璧を求めています。洗浄レスを助長しているメーカーさんもあります。
コンタミ理論から説明ができます
いません。良いものは良いものです
熱には強いが水分には超弱いです 。(特にエステル油)
はい、ドライダイヤフラム式真空ポンプを、一次と二次にオイル式真空ポンプを装備しています
簡単にできます
できます
はい、できます。ただしオイルを除去するのみです
そのとおりです。
ご自身でも簡単に蒸留再生できます。 当社で特別講習会を開催いたします
代理店も募集中 お問合せをお待ちしております

エコ・エネ・ステーション 有限会社神奈川空調工業
横浜市戸塚区原宿4-47
電話045-390-0852 FAX045-410-6216 営業時間8:30〜17:00(日・祝除く)
URL: https://kanagawa-kucho.com e-mail kanakuu@nifty.com
(C)copyright 2002-2021 KANAGAWA KUCHOU CO.,LTD all rights reserved.