冷媒管洗浄機レフ・オール・ワッシャー
冷媒管洗浄機「レフ・オール・ウォッシャーは、弊社グループ会社「有限会社神奈川空調工業」の開発商品です。
l,l,ガード工法についての最新情報、などは エコ・エネ・ステーション神奈川空調工業のホームページをご覧ください。
新冷媒エーテル・エステル R-O-W COO
既設冷媒管の再利用洗浄機 全ての冷媒管に対応しました!
どんなに複雑な曲管・分岐管・ヘッダー・サイズでも大丈夫です!
冷媒管は最高品質が絶対条件!! 曖昧な品質は許さない! |
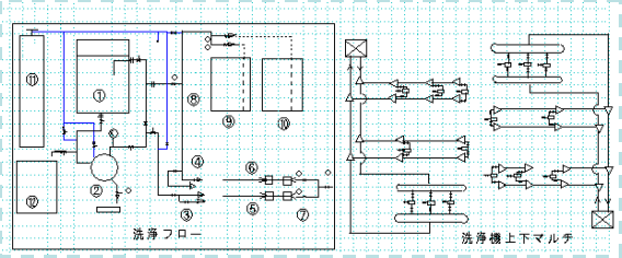
1:洗浄液タンク25L 2:液ポンプ 3:送液弁 4:返液弁 5・6:送返液ホース 7:室内連結管
8:返液管 9:返液缶18L 10:返液予備缶18L 11:窒素ガスボンベ 12:新液余り抜き缶
 |
レフ・オール・ウォッシャー |
 |
|
洗浄前(左)・後(右) |
屋上の配管も下から洗浄可能
レフ・オール・ワッシャーが全解決
| Q&A |
1.冷媒管内の残油はチッソフローで良いか?
A.いいえ、管内面に油膜が付着しています。
2.冷凍サイクルに故障暦があるものの洗浄は?
A.高性能洗浄が必要です。
3.旧オイルが残るとどうなるか?
A.水分・炭化物・酸化皮膜・金属切粉が残ります。
4.マルチヘッダー・分岐管は清浄化するか?
A.窪みも溶接部もミクロのガス・溶剤が働きます。
5.チッソガスフローのない物は?
A.全てのごみ・酸化皮膜・水分も取ります。
6.煤トールは完全か?
A.完全ではありません。炭素水分が残ります。
7.新冷媒で洗浄したら完璧か?
A.新冷媒用の油と旧冷媒用の油は不相溶です。
8.R−22と鉱物油は無限大の相溶性を持つか?
A.無限大ではありません。
9.新冷媒の場合、少々の汚れは良いようだが?
A.ダメです。オイルが全然違います。
10.上記の件で潜在欠陥となりますか?
A.お客様が証明すればなります。永久保証。
11.保証書の日付は意味を成すか?
A.PL法では意味を成しません。道義的責任です。
12.取り扱いは簡単か?
A.簡単です。沸点は最低でも30℃です。
13.化学の知識は必要か?
A.必要です。講習会後修了書を発行します。
14.洗浄なしで工事をしたらどうなるか?
A.ヨーグルト状のオイルが後から出てきます。
15.空調機メーカーの求める清浄度はどこまでか?
A.完璧を求めています。
16.客先に完全に説明がつくか?
A.コンタミ理論から説明ができます。
17.安物の体勢に流されていないか?
A.いません。良いものは良いです。 |
|
|
仕様書 対象冷媒 R−12 22 502 134a 410A 407C 404A 全油
| 寸法 |
幅:900mm 奥行:700mm 高さ:1200mm 重量:87Kg 補助管PEホース1/2 10m×10m 2set ホースバンド付き |
| 機内配管 |
SUS304 バルブ 真鍮 フルボア ボールバルブ チッソガス配管1/4 Cu |
| ポンプ |
1Ø100V 0.4KW 口径:20mm 揚程:60m 6L 10m 30L 水換算 |
| 液タンクSUS |
304 25L 返液缶SS 18Lチッソゲージレギュレーター 台車 300Kg 積載 |
| 適用 |
液剤:塩化メチレン パークロルエチレン トリクロルエチレン AK-255 R-143a
メチルアルコール イソプロピルアルコール 水 酸 アルカリ液20℃で液体の溶剤 |
|
|